YPF系列膜片壓力表適用于測量具有一定腐蝕性、非凝固或非結晶的各種流體介質的壓力或負壓。膜片壓力表耐腐蝕性能取決于膜片材料。
|
二.結構原理 |
膜片壓力表由測量系統(包括法蘭接頭、波紋膜片)、傳動指示機構(包括連桿、齒輪傳動機構、指針和度盤)和外殼(包括表殼和罩圈)等組成。膜片壓力表外殼為防濺結構,具有較好的密性,故能保護其內部機構免受污穢浸入。
膜片壓力表的作用原理是基于彈性元件(測量系統上膜片)變形。膜片壓力表在被測介質的壓力作用下,迫使膜片產生相應的彈性變形---位移,借助連桿組經傳動機構的傳動并予放大,由固定于齒輪上的指針逐將被測值在度盤上指示出來。 |
三.主要技術指示 |
精確度等級:2.5
使用環境溫度:-40~+70℃;相對濕度不大于90%
溫度影響:使用溫度偏離20±5℃時,其溫度附加誤差不大于0.04%/℃
工作位置:垂直安裝。
外殼防護等級:IP64
四.產品型號
|
 |
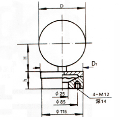
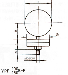
五.標度范圍、外形尺寸及重量 |
型號 |
標度范圍 |
承壓部
寸D1 |
表殼
外徑D |
重量kg |
YPF-100A |
0~0.6、0~0.1、0~0.16、0~0.25、0~0.4
0~0.6、0~0.1、0~1.6、0~2.5、-0.1~0
-0.1~0.06、-0.1~0.15、-0.1~0.3、-0.1~0.5
-0.1~0.9、-0.1~1.5、-0.1~2.4MPa |
φ85 |
φ100 |
1.6 |
YPF-100B
YPF-100B-F |
φ115 |
YPF-150A |
φ85 |
φ150 |
1.8 |
YPF-150B
YPF -150B-F |
φ115 |
YPF-100B
YPF-100B-F |
0~1.6、0~2.5、0~4、0~6、0~10、
0~16、0~25、0~40*
-1.6~0、-2.5~0、-4~0、-6~0、-10~0
-16~0、-25~0、-40~0*
-0.8~0.8、-1.2~1.2、-2~2、-3~3、-5~5、
-8~8、-12~12、-20~20*kPa |
φ160 |
φ100 |
2.9 |
YPF-150B
YPF-150B-F |
φ160 |
φ150 |
3.2 |
|
*0~40、-40~0、±20KPa規格承壓部尺寸D1為φ85 |
六.導壓系統及外殼等主要零件的材質 |
型號 |
名稱 |
導壓系統 |
表殼材料 |
膜片 |
法蘭接頭 |
密封墊圈 |
YPF-100A
150A |
膜片壓力表 |
Cr15Ni7Mo
(PH15-7Mo)
316H(≤25KPa) |
1Cr18Ni9 |
丁腈橡膠 |
鑄鋁 |
YPF-100B
150B |
不銹鋼膜片壓力表 |
聚四氟乙烯 |
1Cr18Ni9 |
YPF-100B-F
150B-F |
法蘭不銹鋼膜片壓力表 |
|
|
YPF-100A |
YPF-100B |
YPF-100B |
YPF-150A |
YPF-150B |
YPF-150B-F |
D |
φ100 |
φ110 |
φ110 |
φ150 |
φ160 |
φ160 |
H |
66 |
66 |
66 |
91 |
91 |
91 |
h |
32 |
32 |
36 |
32 |
32 |
36 |
|
|
 |
 |
|